INSTRUMENTATION

INSTRUMENTATION

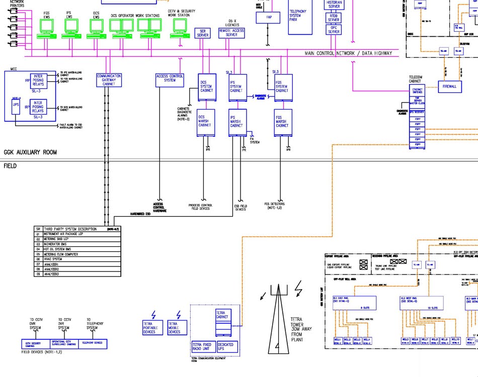
We design, develop monitoring, measuring and controlling systems of the plants. Our highly skilled professionals play a significant role in designing intelligent and smart systems to meet the desired results. From concept to commissioning, we provide end-to-end instrumentation engineering services that ensure precise process control, enhanced safety, and operational efficiency. Our expertise spans advanced control systems, field instrumentation, and comprehensive documentation, delivering integrated solutions that optimize plant performance while maintaining the highest standards of reliability and safety across oil & gas, refining, and chemical processing facilities.

Instrumentation Services
Process Control System Design
Emergency Shutdown System Design
Modulating Systems, PLC, SCADA
FGS System Design
Field Instrumentation Design
Control Valves
Analyzers & Field Devices
Instrumentation Construction Design
Cable/Cable Tray Design
Control Room & Rack Room Design
Inspections, FAT / SAT
Field Engineering
Control Philosophy and Control Narratives
Logic & Loop Diagrams
Cause and Effect Diagrams
Instrument Datasheets
Material Requisition, Vendor Documents Review
Hook-up Drawings
Instrument Location Plans
Main Cable / Cable Tray Routing Layouts
Control Room Design Layouts
Wiring Termination Drawings
Material Take Off / Bill of Quantities

We deliver complete instrumentation solutions including process control systems, PLC/SCADA, ESD, FGS, field instrumentation, and control room design from concept to commissioning.

Our designs follow international standards and best practices, incorporating proven control philosophies, safety systems, and rigorous testing such as FAT and SAT.

Yes. We provide full lifecycle support including detailed design, vendor document review, inspections, field engineering, and as-built documentation.